permeabilitas adalah cepat lambatnya air merembes ke dalam tanah baik melalui pori makro maupun pori mikro baik ke arah horizontal maupun vertikal
Permeabilitas suatu tanah bisa didapat dari pengujian laboratorium atau pun pengujian di lapangan.
Pengujian Laboratorium
Untuk menentukan koefisien permeabilitas :
a. Pengujian tinggi energy tetap (Constant head)
b. Pengujian tinggi energy turun (Falling head)
c. Penelitian secara tidak langsung dari pengujian konsolidasi
d. Pengujian kapiler horizontal
Constant Head Permeameter
Cocok untuk tanah granuler
Data pengamatan yang dicatat : V, t, h, A, L

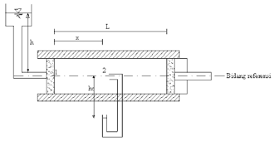
Falling Head Permeameter
Cocok untuk tanah berbutir halus
Data pengamatan yang dicatat :
T, h1, h2, A, L

Penentuan koefisien permeabilitas dari pengujian konsolidasi

Untuk tanah lempung dengan k = 10-6 – 10-9 cm/s
Prinsip FHP
A besar
L kecil
h besar
Pengujian kapiler Horizontal

Pengujian permeabilitas lapangan
-Sumur Uji

Untuk lebih detail mengenai perhitungannya silakan download pada Link ini:
Klik disini!!!
Permeabilitas suatu tanah bisa didapat dari pengujian laboratorium atau pun pengujian di lapangan.
Pengujian Laboratorium
Untuk menentukan koefisien permeabilitas :
a. Pengujian tinggi energy tetap (Constant head)
b. Pengujian tinggi energy turun (Falling head)
c. Penelitian secara tidak langsung dari pengujian konsolidasi
d. Pengujian kapiler horizontal
Constant Head Permeameter
Cocok untuk tanah granuler
Data pengamatan yang dicatat : V, t, h, A, L
Falling Head Permeameter
Cocok untuk tanah berbutir halus
Data pengamatan yang dicatat :
T, h1, h2, A, L
Penentuan koefisien permeabilitas dari pengujian konsolidasi
Untuk tanah lempung dengan k = 10-6 – 10-9 cm/s
Prinsip FHP
A besar
L kecil
h besar
Pengujian kapiler Horizontal
Pengujian permeabilitas lapangan
-Sumur Uji
Untuk lebih detail mengenai perhitungannya silakan download pada Link ini:
Klik disini!!!






keren banget infonya mantap sekali
ReplyDeleteCEO Mayora